The compact design ensures that a large hollow (φ75) is realized within a very small height (65mm).
The stage provides ultra-smooth motion, angular second level accuracy and repeatability.

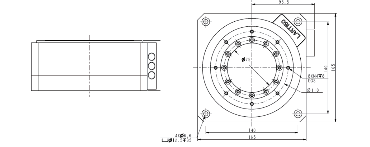
*Interface dimensions from LART150
|
|
LART150 |
|
Tabletop diameter |
150 mm |
|
Height |
65 mm |
|
Hollow aperture |
75 mm |
|
Max. velocity |
800 rpm |
|
Peak torque |
8 N·m |
|
Continuous torque |
2.6 N·m |
|
Accuracy |
±1.5 arcsec |
|
Bidirectional repeatability |
±1 arcsec |
|
Max. load_Axial |
80 Kg |
|
Max. load_Radial |
30 Kg |
|
Axial error motion (Synchronous) |
<100 nm |
|
Radial error motion(Synchronous) |
<200 nm |
|
Tilt error motion (Synchronous) |
<2.5µrad (0.5arcsec) |
|
Operating pressure |
0.5 Mpa |
|
Air consumption |
<25 L/min |
|
Total mass |
5 Kg |
|
Adapted driver |
DC48V Driver |
*Rotation velocity 60rpm based on the standard GBT+17421.7-2016(ISO230-7-2006)and GB/T17421.22000 as well as the temperature (22±0.5℃).